欢迎来到罗托克(天津)自动化技术有限公司网站!
咨询热线

13920013383

当前位置:首页  >  产品中心  >  罗托克电动执行器  >  ZT系列电动执行器  >  ZT型阀门电动装置

ZT型阀门电动装置

简要描述:【用途】
ZT型阀门电动装置构适用于控制闸阀、截止阀等 阀瓣做直线运动的阀门。也可与不同形式的二级减速机构进行 组合,成为可控制球阀、蝶阀等类型阀门的如'度回转的阀门电 动执行该系类产品可广讶用于使用管道阀门的绐排水、 电站、化工、供熬、食品、纺织、造纸、建筑、制药、曬白、 钢铁和煤僂 工程。
公司新研发智能型执行器,在开关型基础上增加的选配功 能,为不同的需求用户增加了更务选择空间。

  • 产品型号:
  • 厂商性质:生产厂家
  • 更新时间:2025-08-04
  • 访  问  量: 7664

详细介绍

【用途】

ZT型阀门电动装置适用于控制闸阀、截止阀等 瓣做直线运动的阀门。也可与不同形式的二级减速机构进行 组合,成为可控制球阀、蝶阀等类型阀门的如'度回转的阀门电 动执行该系类产品可广讶用于使用管道阀门的绐排水、 电站、化工、供熬、食品、纺织、造纸、建筑、制药、曬白、 钢铁和煤僂 工程。

公司新研发ZT型阀门电动装置,在开关型基础上增加的选配功 能,为不同的需求用户增加了更务选择空间。

选配功能一:福晶虽示窗口艮就地操作功能

选配功能二:自动暴相艮断相保护

选配功能三:迓外线设定艮控制

选配功能四:自动调节功能

 

工作环境和主要技术参融

,可选电源:AC380V 50HZ

,环境温度:-25P~+5lTC

,防护等级:IF65

•相对湿度^90%既无时)

•工作制:短时工作制,额定时间1口分钟

【型号表示方法】

ZTn/n/n 

ZT

ZTd/d/dd

普通开关型

整体型

整体调节型

ZTn/n/nn 非侵入式智能型

*□/□/□; 输出转矩偷出转/阀门启闭全行程所需的车专圈数

智能型非侵入式电动装置

【主点】

河提供供响嚥序自动缅及断相报警枷ti

,自动调节功能,可接收和反tttUDmA电施信号瑩计算机、DCSPLG输入僦出信号通■均采用光电隔 m 可承受2000V浪涌电压)

旧匯入式设计,免开噸雖,疆控器设定,曲圈口进行人机时话

峰中文汉字显示,提供良好的用户界面

噬行故瞄斷稣

■电机过热保护功辎

深用様电子技术、计算机技术、红外缱明蜷术、磁揑开美技术、■数字显示披术取代齣岫方式

•可选冋络总场控制,机构通过増配不同的葛懺接口,实现各种目前广为旅传的现场总线功縮,如Proflbus^

成电电源可选三项三鑼制、三项四场制、轲i等不同方式

费可选用航空插头引出方式

 

智能型非侵入式电动装置

外形尺寸圄

R

电机

输出转速r/min

fi±K 直径mm

朝推力

KN

*

,动速比

,考重

功率Kw

55A

 

24

36

 

3出转矩Mr

I

ZTE

0.09

0.6

50

1

/

(P 2B

20

   

25-26

ZT7.5

fi12

0.7

75

/

{

   
 

U.25

1.3

/

100

i

(P 2B

40

50

   

ZT10

G.37

1.6

/

150

100

 

55-65

ZT30

0.55

2.4

/

200

150

(P 40

100

 

1:1

 

0.75

2.9

/

300

200

   
 

1.1

3.4

/

450

® 4fi

150

     

ZT45

1.5

4.5

/

600

45 G

120

 

130-140

ZT120

2.2

6.5

/

900

600

® 60

200

 
 

3

9

/

1200

DUG

     
 

4

11

/

1800

(P 70

325

     

ZT1B0

5.5

14

/

2500

1800

150

25:1

225-310

ZTE00

7.5

19

/

3500

2500

cP 75

700

 

11

26

/

5000

3500

     

 

 

ZT型电动执行机构外形尺寸参教

代号

型号

H

L

L1

F

F1

 

235

400

260

340M70

215/345

ZT7.5

^10

 

520

290

   

^15

320

530

300

420/950

240/370

^20

555

325

^30

 

595

366

   

ZT4S

 

675

386

   
 

450

730

440

576/706

300M30

^90

750

460

ZT120

 

780

490

   

ZT180

 

810

500

   

ZT250

610

68(^700

386M06

ZT350

915

606

ZT500

     

注:/斜线下方数字为整体型' 智能型外形尺寸

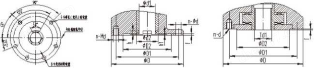
法兰结构及尺寸

image.png

理号

JB2920

推力型GB12222

孵号

D

D1

D21H9)

hi

f

h

di

d2

d

n

H

D

DI

D24H9) f D1max d L n

ZT5-15

2

145

120

30

2

4

a

30

45

M10

4

F10

125

102

70

3

T28

M10

40

4

21

115

95

75

2

4

s

26

MB

4

^20-30

3

185

160

125

2

4

10

42

5S

M12

4

F14

175

140

100

4

T40

M16

55

4

31

145

120

90

2

4

s

30

45

M10

4

E5-6D

4

225

195

150

2

5

12

50

72

M16

4

F16

210

165

130

5

T48

M2L

70

4

ZT90-120

5

275

235

180

2

5

14

62

H2

M20

4

F25

300

254

200

5

T60

M16

90

S

51

230

195

150

2

5

12

50

72

M16

4

ZT180-200

7

330

285

220

3

6

16

72

M24

4

F30

350

23S

230

5

T70

M2L

110

S

ZT350-500

8

380

340

280

3

6

20

HU

11H

M20

S

F35

415

35

3 260

5

T75

M3L

150

S

用户订货清说明圈下内容:

1. 阀门所需转矩(N.e),转速(「/min),打开阀门所需转圈数(或阀门口径和阀 杆螺距EE)阀杆直径EE),连接尺寸。

2. 产品使用环境

3. 各种特殊要求

 

 

产品咨询

留言框

  • 产品:

  • 您的单位:

  • 您的姓名:

  • 联系电话:

  • 常用邮箱:

  • 省份:

  • 详细地址:

  • 补充说明:

  • 验证码:

    请输入计算结果(填写阿拉伯数字),如:三加四=7